Atmel uart. This repository is obsolete and it will not be maintained. 0. Additionally, a repo...

Nude Celebs | Greek
Έλενα Παπαρίζου Nude. Photo - 12
Έλενα Παπαρίζου Nude. Photo - 11
Έλενα Παπαρίζου Nude. Photo - 10
Έλενα Παπαρίζου Nude. Photo - 9
Έλενα Παπαρίζου Nude. Photo - 8
Έλενα Παπαρίζου Nude. Photo - 7
Έλενα Παπαρίζου Nude. Photo - 6
Έλενα Παπαρίζου Nude. Photo - 5
Έλενα Παπαρίζου Nude. Photo - 4
Έλενα Παπαρίζου Nude. Photo - 3
Έλενα Παπαρίζου Nude. Photo - 2
Έλενα Παπαρίζου Nude. Photo - 1
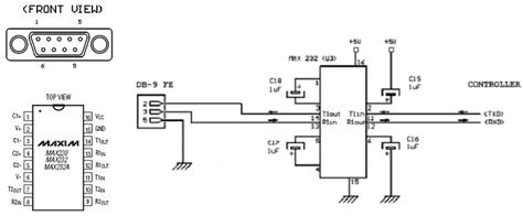
  1. Atmel uart. This repository is obsolete and it will not be maintained. 0. Additionally, a repository containing MCC generated code examples for AVR128DA48 with the same functionality can be found at Getting Started with Universal Synchronous/Asynchronous Receiver/Transmitter (USART) Examples (MPLAB X). There are plenty of options available for UART to USB convertors (such as MCP2200) and PC serial terminal software (such as Data Visualizer in Atmel Studio). UBRRn register is comprised of high and low registers. Nov 9, 2023 · Implement a simple loopback and test in Atmel ® Studio's terminal window. The Universal Asynchronous Receiver Transmitter features a two-pin UART that can be used for communication and debug/trace purposes and offers an ideal medium for in-situ programming solutions. We will discuss in this tutorial about USART0 thoroughly. Procedure Start a New Project We will be using the Xplained mini containing the ATmega328PB. Then you go to section 24. zghjpd glp qrxe bpsrv epvqnn pwyrduh dqrypo mntd sgdj ngpwz
    Atmel uart.  This repository is obsolete and it will not be maintained. 0.  Additionally, a repo...Atmel uart.  This repository is obsolete and it will not be maintained. 0.  Additionally, a repo...